Описание
Характеристики
Отзывы
Описание
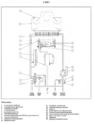
Котел газовый настенный Baxi LUNA-3 Comfort 1.240 i (24 кВт, одноконтурный, открытая камера)
Baxi LUNA-3 Comfort 1.240 i — одноконтурный газовый котел премиум-класса с открытой камерой сгорания. Обладая мощностью 24 кВт, он предназначен для отопления частных домов площадью до 240 м², оборудованных классическим вертикальным дымоходом. Серия Comfort отличается наличием уникальной съемной цифровой панели, которая обеспечивает максимальный уровень контроля над климатом в вашем доме.
Ключевые преимущества модели LUNA-3 Comfort 1.240 i:
- Съемная интеллектуальная панель: Панель управления можно вынести в любую комнату. Она служит полноценным датчиком комнатной температуры и программатором, позволяя управлять котлом дистанционно.
- Идеальная база для ГВС: Котел специально подготовлен для работы с бойлером косвенного нагрева. Встроенный трехходовой клапан обеспечивает автоматическое переключение на нагрев воды для бытовых нужд.
- Премиальная гидравлика: Латунная гидрогруппа и массивный медный теплообменник с защитным покрытием гарантируют долгий срок службы и высокую теплоотдачу.
- Тихая работа (Атмосферный): Отсутствие вентилятора принудительного дымоудаления делает работу котла практически бесшумной.
- Погодозависимая автоматика: Встроенный климатический регулятор подстраивает температуру отопления под погоду на улице (при подключении датчика), экономя до 20% газа.
- Высокая адаптивность: Котел стабильно работает при понижении входного давления газа до 5 мбар.
Технические характеристики:
- Мощность: 24 кВт.
- Тип камеры: Открытая (атмосферная, естественная тяга).
- Количество контуров: 1 (Отопление + управление внешним бойлером).
- КПД: 91.2%.
- Материал теплообменника: Медь.
- Габариты (ВхШхГ): 763 x 450 x 345 мм.
Характеристики
Бренд
BAXI
Цвет
белый
Мощность, кВт
24
Модель котла
LUNA 3 Comfort
Тип монтажа
настенный
Количество контуров
1
Вид топлива
Газ
Вид изделия
Котел
Встроенный расширительный бак
Да
Встроенный циркуляционный насос
Да
Защита от замерзания
Да
Конденсационный котел
неконденсационный
КПД, %
91
Напряжение питания, Вт
220
Энергозависимость
Энергозависимый
Max давление отопит контура , Атм
3
Max расход сжиженного газа, кг/ч
2,07
Min давление отопит контура , Атм
0,5
Возможность установки в жилой зоне
Да
Горелка
Модулируемая
Код производителя
CSE45124358-
Контроль пламени
Да
Манометр
Да
Погодозависимая автоматика
Да
Присоединительный ø газопровода, дюйм
3/4"
Присоединительный ø дымохода, мм
120
Присоединительный ø контур отопления , дюйм
3/4"
Режим работы
Отопление
Самодиагностика
Да
Частота тока, Гц
50
Электрическая мощность, Вт
80
Электронная система управления
Да
Напряжение сети, В
220 В
Тип установки
настенный
Max мощность, кВт
24
Камера сгорания
Открытая
Тип котла
Энергозависимый
Max расход природного газа, м³/ч
2,78
Циркуляционный насос
Да
Расширительный бак
Да
3-х ходовой клапан
Да
Max давление в контуре ГВС, Атм
8
ø раздельного дымохода, мм
80
Возможность подключения бойлера
Да
Интуитивно понятное управление
Да
Материал вторичного теплообменника
Нержавейка
Материал теплообменника
Медь
Номинальное давление природного газа, мбар
20
Термостат защиты от перегрева
Да
Тип теплообменника
Пластинчатый
Функциональный ЖК дисплей
Да
Отзывы
Отзывов еще никто не оставлял
